An electric utility committed to constructing a new substation with transformers and distribution for a substantial customer load addition and needed additional project support to ensure smooth, on-time completion. Our team provided on-site project support to the client and their project partners.
- Relay and Equipment Testing
- Design Review
- Drafting
- Commissioning
- Troubleshooting

RELAY AND CT TESTING
Performed relay testing, logic verification, and current transformer testing.
![]() |
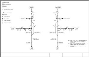
DESIGN AND REVIEW
Acting as the client's engineer, we reviewed and modified relay design package submittals, calculations, time-current coordination, logic packages, and relay and controller settings.
DRAFTING
Developed supporting drawings and documentation for operations personnel.

COMMISSIONING PROCEDURES
Developed and performed commissioning procedures for batteries, breakers, LTCs, logic schemes, SCADA, power transformers, CTs, PTs, and ancillary substation instrumentation.
![]() |
Sixty Mountain provided project support services that helped deliver the substation project safely and on schedule.
BOTTOM LINE
- A client needed project support to deliver a new ring-bus-plus-transformers substation
- Our team provided on-site support including design reviews, drafting, field commissioning, equipment and relay testing, troubleshooting, and vendor management—helping the client and their partners safely commission the new substation on schedule
English
Français

